반응형
Multi-Voltage Design 정리
멀티 전압 설계는 SoC 내 다양한 블록들이 각자의 성능 요구 사항을 충족하도록 여러 개의 전력 도메인을 사용하는 기법이다. 이를 통해 블록별로 적절한 전압을 제공하여 전력 소비를 줄일 수 있다. 주요 전압 스케일링 기법은 다음과 같다.
- Static Voltage Scaling (SVS): 블록별로 고정된 전압을 설정.
- Multi-level Voltage Scaling (MVS): 두 개 이상의 고정된 전압 수준을 지원.
- Dynamic Voltage and Frequency Scaling (DVFS): 실시간으로 전압 및 주파수를 조정.
- Adaptive Voltage Scaling (AVS): DVFS에 제어 루프를 추가하여 전압을 자동 조정.
3.1 Challenges in Multi-Voltage Designs
멀티 전압 설계에서 발생하는 주요 문제점:
- 레벨 시프터(Level Shifter) 필요: 다른 전압 도메인 간 신호 전달 시 전압 변환이 필요.
- 정적 타이밍 분석(Static Timing Analysis, STA) 복잡성 증가: 전압이 다르면 타이밍 분석이 어려워짐.
- 플로어플래닝 및 전력 계획: 여러 개의 전력 도메인이 필요하므로 설계 복잡성이 증가.
- 보드 레벨 문제: 추가적인 전압 레귤레이터가 필요.
- 전원 ON/OFF 시퀀스: 특정 순서대로 전원을 공급해야 시스템이 정상적으로 부팅됨.
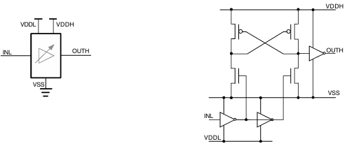
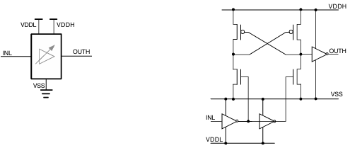
3.2 Voltage Scaling Interfaces – Level Shifters
전력 도메인 간 신호 전달을 위해 레벨 시프터를 사용해야 한다.
3.2.1 Unidirectional Level Shifters
- 대부분의 레벨 시프터는 한 방향(High-to-Low 또는 Low-to-High)으로만 변환 가능.
- 다중 전압 설계에서 인터페이스가 항상 일정한 방향을 유지하도록 설계 필요.
3.2.2 Level Shifters – High to Low Voltage Translation
- High-to-Low 변환은 비교적 간단하며 **버퍼 지연(buffer delay)**만 추가됨.
- 별도의 고유한 “다운 시프트(downshift)” 셀이 필요.

3.2.3 Level Shifters – Low-to-High Voltage Translation
- Low-to-High 변환은 더 어려움. 전압 부족으로 인해 신호의 상승 및 하강 속도가 저하됨.
- Crowbar Current (짧은 순간 동안 NMOS와 PMOS가 동시에 켜지는 문제) 발생 가능.
- Clock Tree Buffering 문제: 클럭 신호 전달 시 상승/하강 시간이 길어지면 지터(jitter) 및 스큐(skew) 발생 가능.

3.2.4 Level Shifter Placement
- High-to-Low: 낮은 전압 도메인에 배치하는 것이 일반적.
- Low-to-High: 높은 전압 도메인에 배치하는 것이 일반적.

- 도메인 간 거리가 짧으면 추가적인 버퍼 없이 직접 연결 가능.


3.2.5 Automation and Level Shifters
- 레벨 시프터는 기능적 변화를 주지 않으므로 자동 삽입 가능.
- 디자인 툴이 특정 전략을 기반으로 레벨 시프터를 배치하도록 설정 가능.
3.2.6 Level Shifter Recommendations and Pitfalls
권장 사항
- 레벨 시프터는 수신 도메인에 배치 (High-to-Low는 낮은 도메인, Low-to-High는 높은 도메인).
- Low-to-High 레벨 시프터의 지연을 고려한 설계 필요.
- 전압 도메인 간 관계 명확히 정의하여 인터페이스 복잡성 최소화.
주의할 점
- 인터페이스 도메인이 동적으로 변경될 경우 특수한 레벨 시프터 필요.
- 타이밍 검증이 복잡해질 가능성이 있음.
3.3 Timing Issues in Multi-Voltage Designs
멀티 전압 설계에서는 타이밍 분석이 더욱 어려워진다.
3.3.1 Clocks
- 전압 도메인 간 클럭 전달 시 레벨 시프터를 거쳐야 하므로 클럭 트리 설계가 복잡해짐.
- DVFS 또는 MVS 환경에서는 멀티 타이밍 분석 필요.

3.3.2 Static Timing Analysis
- SVS(Static Voltage Scaling)는 비교적 간단하지만, MVS 및 DVFS는 복잡성이 증가.
- 모든 전압 레벨에서 동시에 타이밍 분석을 수행해야 함.
3.4 Power Planning for Multi-Voltage Design
- 각 전력 도메인은 독립적인 전력 공급 네트워크가 필요.
- 플립칩(Flip-chip) 설계에서는 전력을 로컬 패드에서 직접 공급 가능.
- 패드 개수가 제한된 설계에서는 전압 도메인 수를 제한하는 것이 필요.
3.5 System Design Issues with Multi-Voltage Designs
멀티 전압 설계에서는 시스템 전원 관리가 더욱 중요하다.
- 전력 시퀀싱(Power Sequencing) 필요:
- 모든 도메인이 완전히 안정된 후에 리셋을 수행해야 함.
- CPU 부팅은 다른 도메인이 완전히 활성화된 후에 시작해야 함.
- 크리스털 오실레이터 및 PLL은 특정한 안정화 시간이 필요.
- DVFS 시스템의 경우 전압 램핑(Ramping) 문제 발생 가능:
- 전압이 너무 빠르게 변경되면 시스템이 비정상 동작할 가능성이 있음.
- 신호 기반의 제어 인터페이스를 활용하여 전압 변화 속도를 조절해야 함.
- 전력 관리 소프트웨어 필요:
- CPU가 전력 관리 컨트롤러를 제어하여 시스템 동작 중에 전력을 조절해야 함.
결론
멀티 전압 설계는 SoC의 전력 소비를 줄이는 강력한 방법이지만, 타이밍 분석, 전력 계획, 전원 관리 등의 복잡한 문제를 수반한다. 이를 해결하기 위해서는 레벨 시프터 사용 전략, 자동화된 전력 관리 기법, 그리고 정확한 타이밍 분석이 필수적이다.
반응형
'IT' 카테고리의 다른 글
| Power Gating Design (0) | 2025.02.14 |
|---|---|
| Power Gating Overview (0) | 2025.02.14 |
| Standard Low Power Methods (0) | 2025.02.13 |
| Standard Low Power Methods (0) | 2025.02.13 |
| SoC 클럭 설계 이해 (0) | 2025.02.13 |